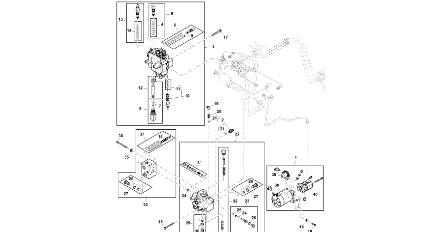
John Deere 9470RX - Zawór RE583880 (Kierowanie)
Jastrzębniki 70D, 64-330 Opalenica
Numer wewnętrzny lub numer produktu: K10515
Stan: Używany
Numer części na zdjęciu: 33
Rozmawiamy w języku polskim, niemieckim oraz angielskim.
We speak in English, German and Polish
Wir sprechen auf Deutsch, Englisch und Polnisch.
Posiadamy ponad dziesięcioletnie doświadczenie na europejskim rynku w handlu częściami używanymi.
Zwroty odbieramy swoim kurierem!
Ogłoszenie dotyczy części używanej.
