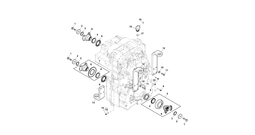
John Deere 9470RX - Zestaw wspornika R538523 (Przekładnia Power Shift)

Jastrzębniki 70D, 64-330 Opalenica
John Deere 9470RX - Zestaw wspornika R538523 (Przekładnia Power Shift)
Numer wewnętrzny lub numer produktu: K10121
Stan: Używany

Numer części na zdjęciu: 13

Rozmawiamy w języku polskim, niemieckim oraz angielskim.
We speak in English, German and Polish
Wir sprechen auf Deutsch, Englisch und Polnisch.

Posiadamy ponad dziesięcioletnie doświadczenie na europejskim rynku w handlu częściami używanymi.

Zwroty odbieramy swoim kurierem!

Ogłoszenie dotyczy części używanej.

URL: https://karetina.com/e-produkty/10121

Zaloguj się

Zarejestruj się

Reset hasła

Wpisz nazwę użytkownika lub adres e-mail, a otrzymasz e-mail z odnośnikiem do ustawienia nowego hasła.