New Holland T6010 Koło zębate 5197558

Jastrzębniki 70D, 64-330 Opalenica
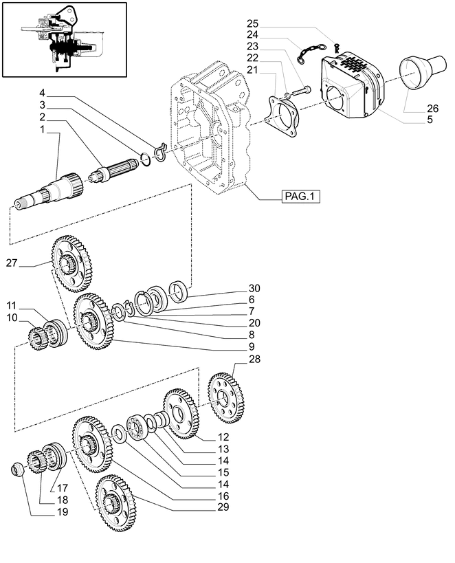
New Holland T6010 Koło zębate 5197558
Numer wewnętrzny lub numer produktu: K11372
Stan: Używany

Numer części na zdjęciu: 16

Rozmawiamy w języku polskim, niemieckim oraz angielskim.
We speak in English, German and Polish
Wir sprechen auf Deutsch, Englisch und Polnisch.

Posiadamy ponad dziesięcioletnie doświadczenie na europejskim rynku w handlu częściami używanymi.

Zwroty odbieramy swoim kurierem!

Ogłoszenie dotyczy części używanej.

URL: https://karetina.com/e-produkty/11372

Zaloguj się

Zarejestruj się

Reset hasła

Wpisz nazwę użytkownika lub adres e-mail, a otrzymasz e-mail z odnośnikiem do ustawienia nowego hasła.