New Holland T6010 Koło zębate z17 5193952

Jastrzębniki 70D, 64-330 Opalenica
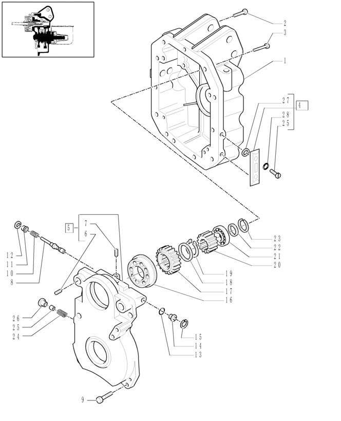
New Holland T6010 Koło zębate z17 5193952
Numer wewnętrzny lub numer produktu: K11329
Stan: Używany

Numer części na zdjęciu: 20

Rozmawiamy w języku polskim, niemieckim oraz angielskim.
We speak in English, German and Polish
Wir sprechen auf Deutsch, Englisch und Polnisch.

Posiadamy ponad dziesięcioletnie doświadczenie na europejskim rynku w handlu częściami używanymi.

Zwroty odbieramy swoim kurierem!

Ogłoszenie dotyczy części używanej.

URL: https://karetina.com/e-produkty/11329

Zaloguj się

Zarejestruj się

Reset hasła

Wpisz nazwę użytkownika lub adres e-mail, a otrzymasz e-mail z odnośnikiem do ustawienia nowego hasła.