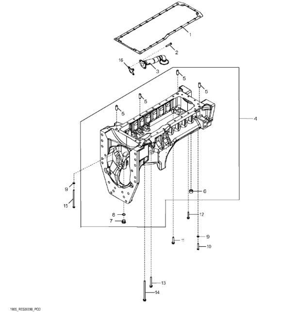
RE528732 John Deere 8345R - Wlot pompy oleju
Jastrzębniki 70D, 64-330 Opalenica
Numer wewnętrzny lub numer produktu: K8404
Stan: Używany
Numer części na zdjęciu: 5
Rozmawiamy w języku polskim, niemieckim oraz angielskim.
We speak in English, German and Polish
Wir sprechen auf Deutsch, Englisch und Polnisch.
Posiadamy ponad dziesięcioletnie doświadczenie na europejskim rynku w handlu częściami używanymi.
Zwroty odbieramy swoim kurierem!
Ogłoszenie dotyczy części używanej.
